>
BuckBoost电路是一种既可以降压又可以升压的斩波电路BUCK降压斩波电路,其输出电压U0可以大于或小于输入电压UiBUCK降压斩波电路,且极性相反其基本电路原型如图一所示在图一中BUCK降压斩波电路,电感L起到了储能的作用当开关Q开通时,输入电源对电感L进行充电当开关Q关断时,电感L释放能量,通过二极管D输出到负载二BuckBoost电路的演变 并联线圈的引出 将。
1 降压斩波电路Buck Chopper工作原理降压斩波电路通过控制全控型器件如IGBT的通断,将输入电压Ui转换为较低的输出电压Uo当全控型器件处于通态时,电源Ui向负载供电当全控型器件处于断态时,负载电流经续流二极管续流,电压Uo近似为零通过调整导通占空比α,可以控制输出电压的大小输。
Buck电路即降压斩波电路,是一种常见的直流变换电路,能将较高的直流电压转换为较低的直流电压1 工作原理基础其核心由开关管如MOSFET电感电容和二极管组成开关管周期性地导通和关断,通过控制开关管的导通时间与周期的比例占空比来调节输出电压2 导通阶段当开关管导通时,输入电压。
1 基本原理 Buck电路本质是降压斩波器,通过开关管占空比调节输入电压,输出更低且可控的直流电压 逆变电路将直流电转化为交流电,通过控制脉宽调制PWM技术输出不同频率幅值的交流波形2 组合方式 先Buck后逆变例如太阳能发电系统中,先由Buck电路将光伏板输出3050V不稳定直流降至。
1 计算电路的开关周期T=1f=125KHz=40us2 计算电路开关的占空比D=VoutVin=Vout70 输出不详3 计算开关导通时间Ton=Tx*D=40us x D4 计算电感纹波电路,一般不超过最大输出电流的10%20%, dI=1A x 01~02=01A ~ 02 A5 计算电感两端电压V=VinVout=70Vout6 由V=L*。
降压电路被称为Buck电路的具体原因众说纷纭一种普遍的说法源自于古老的一种“开关电源”这类电源在斩波后利用简单的RC滤波器进行工作,被称为“bucket regulatorquot这类电源只能实现降压操作至于为什么将其命名为“Bucket”,原因尚不明了在某些地方,储能所用的电容会被称作“bucket capacitor”。
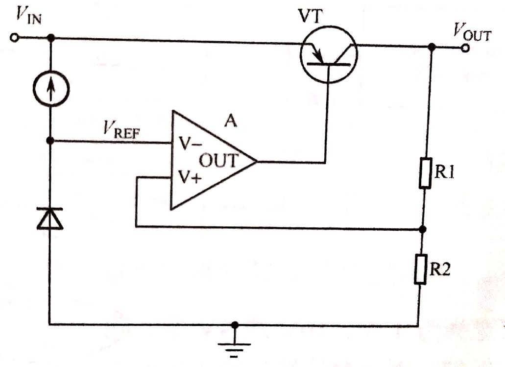
DCDC降压结构的核心功能是将输入直流电压转换为更低且稳定的输出直流电压,主要通过三种结构实现Buck电路隔离型降压结构和多相降压结构1 Buck降压斩波电路结构组成以开关管MOSFET为核心,搭配二极管电感和滤波电容组成能量传输和滤波回路工作原理开关管导通时,输入电压驱动电感储能并。
直流斩波电路,或称为DCDC变换器,是电子工程领域不可或缺的组件它像魔术师的手法,巧妙地将直流电转化为目标电压,无论是恒定还是可调这个名称的背后,隐藏着其工作原理的独特之处,让我们一起揭开这个术语的奥秘首先,斩波电路家族包括六种基本类型Buck降压Boost升压BuckBoost。
输出电压计算公式U0=DE在降压式直流斩波电路Buck中,电感和电容值设置要稍微大一点注意VT的导通和关断时间,电容的充放电规律和电感的作用。
Buck电路属于串联型开关变换器降压变换器,由电压源串联开关电感器电容器和二极管构成工作原理 通过斩波形式将平均输出电压予以降低,可以将输入接在光伏电池输出端,通过调节其输出电压来达到调节负载之目的,以保持光伏阵列输出电压在其最大功率点的电压和电流处控制过程当开关管T导通时。

直流斩波电路DC Chopper之所以被称之为斩波chopper,是因为其功能和输出电压波形的直观特性DC Chopper是一种直流直流变换器DCDC Conveter,可以将直流电转化为另一固定电压或可调电压的直流电DC Chopper包括多种基本电路,如降压斩波电路Buck Chopper升压斩波电路Boost Chopper升降压。
1反极性斩波电路是有Buck电路降压斩波器,其输出平均电压Uo小于输入电压Ui,输出电压与输入电压极性相同2Boost电路升压斩波器,其输出平均电压Uo大于输入电压Ui,输出电压与输入电压极性相同3BuckBoost电路降压或升压斩波器,其输出平均电压Uo大于或小于输入电压Ui,输出电压与输入电压极性相反。
Buck电路,即降压斩波器,其输出的平均电压U0低于输入电压Ui,并且两者的极性相同这种电路常用于电压降压的应用中Boost电路则是升压斩波器,输出的平均电压U0高于输入电压Ui,同样保持极性一致,适用于需要提升电压的场合BuckBoost电路更为灵活,它既可以降压U0小于Ui,也可以升压U0大于Ui,且。
BUCK电路是一种降压斩波器,降压变换器输出电压平均值Uo总是小于输出电压UD通常电感中的电流是否连续,取决于开关频率滤波电感L和电容C的数值参考资料html 如果去掉专业的解答BUCK降压斩波电路你就记住是降压电路也就VINVOUT的电源电路。
1Buck电路降压斩波器,其输出平均电压Uo小于输入电压Ui,输出电压与输入电压极性相同2Boost电路升压斩波器,其输出平均电压Uo大于输入电压Ui,输出电压与输入电压极性相同3BuckBoost电路降压或升压斩波器,其输出平均电压Uo大于或小于输入电压Ui,输出电压与输入电压极性相同,电感传输4Cuk。
1单管BuckBoost是非隔离升降压输出可高于或低于输入电压式PWM DCDC转换电路,其输出电压与输入电压方向相反,开关MOS管是高端驱动,因此可工作在BUCK或BOOST两种工作状态,工作时序比BOOST复杂需要分别进行分析2双管BuckBoost是非隔离升降压输出可高于或低于输入电压式PWM DCDC转换。

相关标签 :
上一篇: decimalformat,decimalformat线程安全
下一篇: uml类图,uml类图的关系
微信医疗(登记+咨询+回访)预约管理系统
云约CRM微信小程序APP系统定制开发
云约CRM体检自定义出号预约管理系统
云约CRM云诊所系统,云门诊,医疗预约音视频在线问诊预约系统
云约CRM新版美容微信预约系统门店版_门店预约管理系统
云约CRM最新ThinkPHP6通用行业的预约小程序(诊所挂号)系统联系电话:18300931024
在线QQ客服:616139763
官方微信:18300931024
官方邮箱: 616139763@qq.com