>
m序列是目前CDMA系统中采用线性反馈移位寄存器的最基本线性反馈移位寄存器的PN序列 是最长线性反馈移位寄存器序列的简称m序列是目前广泛应用的一种伪随机序列线性反馈移位寄存器,其在通信领域有着广泛的应用线性反馈移位寄存器,如扩频通信,卫星通信的码分多址,数字数据中的加密加扰同步误码率测量等领域m序列是最长线性移位寄存器序列的简称,是一种伪随机序列伪;线性反馈移位寄存器输出序列方法如下1定义初始状态,即移位寄存器中的值2定义反馈函数,即每一位抽头3根据反馈函数计算下一位的值,即将所有抽头位的值进行异或运算4将计算得到的值作为新的最右位,向左移位,将原来的最左位舍弃5重复步骤34,直至得到所需长度的输出序列。
在数字逻辑设计领域,线性反馈移位寄存器LFSR以其独特的性质和应用而受到广泛关注它通过位级别的存储和反馈移位操作,生成具有周期性的二进制序列LFSR的关键特性在于其级数,它决定线性反馈移位寄存器了寄存器的位数和最长的循环周期,该周期通常表示为\2^n 1\,其中\n\代表寄存器的级数特征多项式是LFSR。
1、m 序列 最长线性反馈移位寄存器序列 是由线性反馈移位寄存器产生的一种特殊序列该序列具有多方面的性质,如递推关系式特征多项式均衡特性游程特性移位相加特性以及自相关特性递推关系式描述了线性反馈移位寄存器中第一级输入的逻辑规律,即由反馈逻辑和原始状态决定特征多项式通过多项式 fx。
2、线性反馈移位寄存器LFSR是一种经典的生成序列的算法它通过一系列的线性运算,结合反馈机制,生成一系列看似随机的序列在通信加密数据处理等领域有着广泛的应用小m序列就是线性反馈移位寄存器中周期最长的序列,其周期等于寄存器位数的2的n次方减一,n为寄存器的级数小m序列能够生成不重复的。
3、m序列,即最长线性反馈移位寄存器序列,是由带线性反馈的移位寄存器产生的周期最长的序列以下是对m序列的详细解析一m序列的产生 m序列的产生依赖于线性反馈移位寄存器一个n级线性反馈移存器可能产生的最长周期等于2^n1这意味着,对于一个n级的移位寄存器,其能够生成的最长序列长度为2^n。
4、LFSR的工作过程可以概括为以下几个步骤初始化设置LFSR的初始状态,即状态寄存器的初始值移位将状态寄存器的内容向左移动一位,最高位被移出并丢弃反馈根据LFSR的结构多项式Qx,将某些位的值进行异或运算,并将结果作为新的最高位输入到状态寄存器中输出将状态寄存器的当前值作为输出重复重复步骤2到4,直。
5、m序列详解如下定义与生成m序列是由线性反馈移位寄存器生成的,其中反馈多项式f必须为本原多项式当选择特定的本原多项式和初始状态时,LFSR可以生成一个周期极长的伪随机序列,即m序列显著特征均衡性m序列中1的个数比0多1,这种分布类似于黄金分割点,呈现出一种优雅的平衡游程分布每个长度。
1、深入探讨PRBS与生成矩阵理解电路与数学的桥梁 从一个电路新手的角度出发,本文将带你一起解开PRBS伪随机序列的神秘面纱在密码学通信工程等领域中,PRBS扮演着不可或缺的角色本文旨在通过简洁明了的方式,阐述PRBS的定义生成矩阵的构建以及其在电路实现中的应用线性反馈移位寄存器与生成矩阵。

2、在数字逻辑设计中,线性反馈移位寄存器Linear Feedback Shift Register, LFSR是一种不可或缺的工具,它以位为单位存储数据,通过抽头和反馈函数实现周期性的状态变化LFSR的核心在于其级数,决定了存储位数和最长循环周期,级数越高,存储位越多,周期也越长,周期的计算公式为\2^n 1\,其中。
3、m 序列,即最长线性反馈移位寄存器序列,是电子工程学中的一个重要概念该序列是由线性反馈移位寄存器产生,其特征多项式描述了反馈连接状态递推关系式,即反馈逻辑函数或递推方程,定义了移位寄存器第一级的输入由反馈逻辑和原状态决定若经过n次移位,则第一级输入为公式所示特征多项式fx描述了。
4、PRBS,即PseudoRandom Binary Sequence,这一术语可能在高速串行通信测试领域并不陌生它为何被称为伪随机其实,这背后的秘密在于它看似无规律,实则隐藏着生成多项式的精妙设计让我们深入探讨一下PRBS的实现机制,以及它在实际中的作用走进LFSR线性反馈移位寄存器的构造 LFSR,即LinearFeedback。
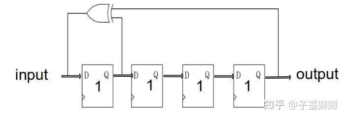
5、m序列是最长线性反馈移位寄存器序列的简称它是由带线性反馈的移存器产生的周期最长的序列序列的产生 从上图可以看出,先设置初始状态,之后根据框图的原型来进行移位,进行mod2运算这样最后移位15次后又回到初始状态1,0,0,0所以除了全零状态,一共可以用15种一般来说,一个n级线性反馈移存器可能产生的最长周期等于2^n1 线性反。

6、当m序列特征多项式为x^4 x 1时,该表述存在错误,若更正为x^4+x+1,则此m序列是由4级寄存器产生的最长线性反馈移位寄存器序列,其周期为15一m序列的基本概念 m序列,即最大长度线性反馈移位寄存器序列,是一种具有伪随机特性的二进制序列在数字通信密码学等领域有广泛应用其生成依赖于。
7、HDLbits中学习Shift Registers的记录如下核心概念线性反馈移位寄存器利用异或门产生伪随机数,其核心是线性反馈移位,其中tap位的异或操作决定了寄存器状态的转移题目要点Shift18涉及移位寄存器的基础操作和理解lfsr5特定设计的5位移位寄存器题目,考察对LFSR工作原理的理解Mt2015 lfsr可能是。
相关标签 :
上一篇: 博弈论基础,博弈论基础是学什么
下一篇: 手机控制电脑软件,手机控制电脑软件下载
微信医疗(登记+咨询+回访)预约管理系统
云约CRM微信小程序APP系统定制开发
云约CRM体检自定义出号预约管理系统
云约CRM云诊所系统,云门诊,医疗预约音视频在线问诊预约系统
云约CRM新版美容微信预约系统门店版_门店预约管理系统
云约CRM最新ThinkPHP6通用行业的预约小程序(诊所挂号)系统联系电话:18300931024
在线QQ客服:616139763
官方微信:18300931024
官方邮箱: 616139763@qq.com