>
第一张图采用的是累计计时法继电器原理图,工作原理如下按下启动继电器原理图,KA得电继电器原理图,时间继电器KT1,KT2同时开始计时,此时灯泡开始工作,工作10S后断电,又过10S后时间继电器KT2计时到达,复位KT1第二张采用的是分段计时法,按下启动KA得电,时间继电器KT1开始计时,同时灯泡开始工作,工作10S后断电停10S10S时间到时间。
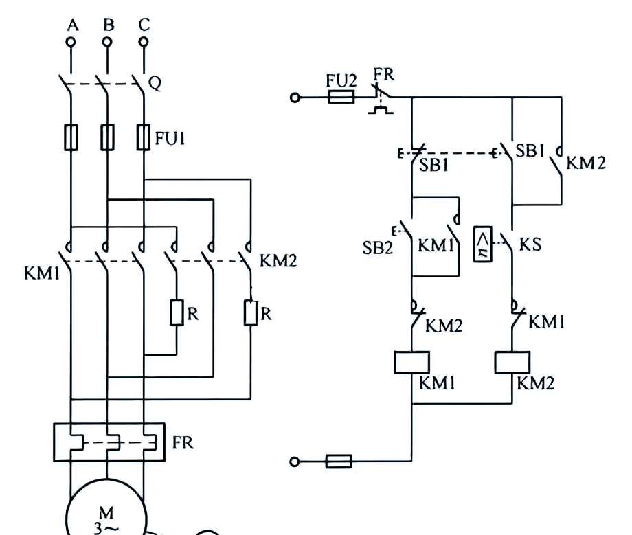
继电器的自保电路的原理图和接线图在下面,点击可以看大图自保电路是电气控制的一种常用的辅助控制方式也叫自锁电路,比如电动机的启动控制,当按下启动按钮时,电动机启动运转,手指离开按钮后,启动按钮会回弹到启动前的状态,一般想,这样电动机就会停止运转,要实现电机继续运转,就要在电机控制回路。

型号DS2YSDC12V 品牌松下 子类直流电磁继电器 线圈电源类型 直流电磁继电器交流电磁继电器磁保持继电器其他 触点形式 常开型常闭型转换型其他 继电器在原理图中用K或者KA代表,符号和交流接触器一样其原理如下图所示。
工作原理567端分别接水箱的3个控测电极7端为箱底电极6端为次底是电极5端为水满电极,当水箱水位过低低于次底电极时,第一只三极管基极呈低电平,三极管呈截止状态,集电极呈高电平第二只三极管基极有足够电流通过,三极管饱和导通,继电器K得电吸合,常开触点23脚闭合,外。
带跳合位灯的一般是带有操作回路的保护装置,分2种情况1使用装置操作回路,跳合位灯由操作回路原理图中TWJHWJ继电器控制,继电器带电,相应指示灯亮一般的线路保护2若不使用装置的操作回路,需要单独将跳合位置接到保护的开入,用以点灯例如南瑞PCS9611D24 控制回路断线 位。
高低电平触发继电器电路图如下当触发器的同步控制信号E为约定“1”或“0”电平时,触发器接收输入数据,此时输入数据D 的任何变化都会在输出Q 端得到反映当E 为非约定电平时,触发器状态保持不变鉴于它接收信息的条件是E出现约定的逻辑电平。

五脚继电器接线图如下接线原理继电器一般都有能反映一定输入变量如电流电压功率阻抗频率温度压力速度光等的感应机构输入部分有能对被控电路实现“通”“断”控制的执行机构输出部分在继电器的输入部分和输出部分之间,还有对输入量进行耦合隔离,功能处理和对输出部分。
JC35型压差继电器的外形结构原理如图510所示压差继电器的低压气箱与制冷压缩机的润滑系统低压部分曲轴箱连接,高压气箱与制冷压缩机润滑系统高压部分油泵出口连接quot role=quotfigure 图510 JC35型压差继电器的外形结构原理图 1高压波纹管气箱 2角形杠杆 3主弹簧 4压差开关 5弹簧座 6压差。
工作原理相序保护可采用相序继电器,当电路中相序与指定相序不符时,相序继电器将触发动作,切断控制电路的电源从而达到切断电动机电源保护电动机的目的原理图如下一般情况下,电动机工作的接线顺序是有规定的,如果由于某种原因,导致相序发生错乱,电动机将无法正常工作甚至损坏相序保护就是为了防止。
通过这个示意图,你可以看到中间继电器的各个部分是如何相互连接的,这有助于你理解继电器的工作原理以及如何进行正确的接线如果你对这个示意图还有疑问,或者想要了解更多的细节,欢迎随时提问希望这个解释能够帮助你更好地理解继电器的基本接线方式在实际应用中,继电器不仅可以用于简单的电路控制,还可以。
当液面达到一定高度时继电器就会动作切断电源液面低于一定位置时接通电源使水泵工作达到自动控制的作用 自动控制由传感器和控制执行机构组成液位控制器的传感器一般是导线利用水的导电性水的导电性较差,不能直接驱动继电器所以要有电子线路将电流放大,以推动继电器工作构造原理图液位继电器。
33V单片机驱动5V12V继电器,不宜用mos管,MOS管开通电压较高,33V可能不会使MOS管充分导通5V时最好用PNP管子,12V时最好用NPN管子5V时如图1,一般单片机IO口都可以耐5伏电压,并且低电平灌电流能力大,因此推荐使用若电源电压12V,为保证单片机IO口安全,最好用图2 NPN形式但对于51。
正泰XJ3G型断相与相序保护继电器原理图主要包括电源输入断相保护相序保护及输出控制等部分电源输入包含三个接线点对应三相电源火线断相保护一相或两相电流中断时,断相保护器察觉异常电流状态并触发动作相序保护电路中相序与指定相序不符时,相序保护器检测到异常电压信号并触发动作输出控制。
你好,220V继电器实物接线图如下。
电源端接通后,延时t,输出,直到电源端断电如果电源端接通总时间未超过设定时间t,则不输出A1A2是延时线圈,1516是延时断开,1518是延时闭合。
相关标签 :
上一篇: mkdir,mkdir命令创建文件
微信医疗(登记+咨询+回访)预约管理系统
云约CRM微信小程序APP系统定制开发
云约CRM体检自定义出号预约管理系统
云约CRM云诊所系统,云门诊,医疗预约音视频在线问诊预约系统
云约CRM新版美容微信预约系统门店版_门店预约管理系统
云约CRM最新ThinkPHP6通用行业的预约小程序(诊所挂号)系统联系电话:18300931024
在线QQ客服:616139763
官方微信:18300931024
官方邮箱: 616139763@qq.com