>
同步FIFO只有一个独立异步fifo的时钟端口clock异步fifo,所有的输入输出信号都同步于clock信号异步FIFO有两个时钟,写端口和读端口分别有独立的时钟所有写相关的信号都属于写时钟,所有与读相关的信号都属于读时钟三FIFO IP 在FPGA设计中,FIFO一般不需要自己去写代码实现,因为FPGA官方软件都提供了FIFO IP。
异步FIFO的简单介绍中,FIFO的基本结构可以通过DPRRAM实现,但与普通存储器不同的是,FIFO遵循先进先出的原则,不需要地址在牛客网等平台刷题有助于提升编程技能,了解FIFO编程题目,详细解题思路和答案解析可以增强学习效果在设计异步FIFO时,首先要理解同步和异步的区别同步时序逻辑基于同一时钟信号。
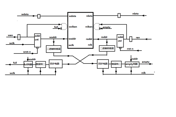
异步FIFO的空满检测是通过比较读写地址进行满空判断,但是读写地址属于不同的时钟域,所以在比较之前需要先将读写地址进行同步处理,此机制保证了FIFO在空满极限情况下,依然留有余量,存在一定的冗余空间,以防写满溢出,读空多读的情况无论是wclk和rclk谁快谁慢,都可能产生假空假满现象,但是。

异步FIFO中的格雷码及同步相关问题 一格雷码在异步FIFO中的作用 格雷码在异步FIFO中主要用于解决跨时钟域传输时的亚稳态和逻辑冒险问题由于异步FIFO的读写操作分别由不同的时钟域控制,直接传递多bit的地址指针可能会导致采样错误,进而产生亚稳态或逻辑冒险而格雷码的每两个相邻码字只有1bit的变化。
1 类型深度与数据位宽设定 选择 DCFIFO确保选择的是异步 FIFO进行配置 数据位宽匹配输入与输出数据位宽需满足2n的倍数关系,以兼容不同频率的输入输出若输入与输出数据位宽不同,应勾选“Use a different output width”并填写相应的输出数据位宽2 数据输出顺序 正常模式输出数据滞后。
异步FIFO的实现涉及多个关键步骤,从Verilog代码设计到波形验证,以下是详细解答一Verilog代码设计 双端口RAM设计核心组件双端口RAM是异步FIFO的核心存储单元接口信号包括写时钟写复位写使能写地址写数据,以及对应的读信号RAM深度与地址宽度通过参数RAM_DEPTH定义RAM的深度,与地址宽度。
当异步FIFO的深度不是2的n次方时,会出现地址回绕问题和空满判断复杂的问题,需要采取特定的设计策略来处理地址回绕问题当FIFO深度不是2的n次方时,地址从最大值回绕到最小值时,会有多个比特位同时变化这增加了跨时钟域传输时的亚稳态风险,因为多个比特位的同时变化可能导致接收端无法稳定地。
异步FIFO浅析FIFOFirst in First out即先进先出数据缓存器,与普通存储器的区别在于没有外部读写的地址线,只能顺序地读取和写入数据按读写是否为相同时钟域,FIFO可分为同步和异步两种,其中异步FIFO主要用于跨时钟域传输数据一异步FIFO的基本结构异步FIFO主要包含以下五个模块FIFO的基本存储单。

相关标签 :
上一篇: 自动化测试,自动化测试工具
下一篇: bgp,bgp配置
微信医疗(登记+咨询+回访)预约管理系统
云约CRM微信小程序APP系统定制开发
云约CRM体检自定义出号预约管理系统
云约CRM云诊所系统,云门诊,医疗预约音视频在线问诊预约系统
云约CRM新版美容微信预约系统门店版_门店预约管理系统
云约CRM最新ThinkPHP6通用行业的预约小程序(诊所挂号)系统联系电话:18300931024
在线QQ客服:616139763
官方微信:18300931024
官方邮箱: 616139763@qq.com